離子交換器(樹脂過濾器)是一種通過樹脂中的離子和水中離子進行交換,達到降低水硬度,降低電導率等凈化目的的一種設備。根據裝填的樹脂種類不同,分為陽床離子交換器、陰床離子交換器,混床離子交換器,根據水流方向不同,又分為固定床、浮動床離子交換器。
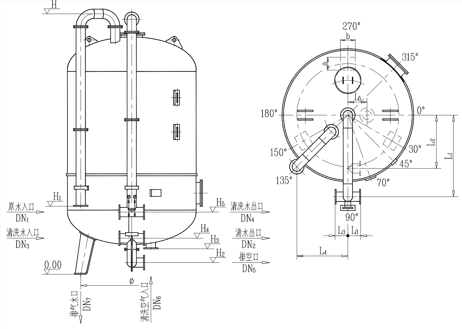
離子交換器運行
離子交換法是用離子交換劑上的離子和流體中離子進行交換的方法。流體的離子交換除鹽就是順序用H型陽離子交換樹脂將流體中各種陽離子交換成H+,用 OH型陰離子交換樹脂將流體中各種陰離子交換成OH-,進入水中的H+和OH-離子組成水分子H2O;或者讓流體經過陽陰混合離子交換樹脂層,流體中陽、陰離子幾乎同時被H+和OH-離子所取代。離子交換后制得的水為除鹽水,廣泛應用于中高壓鍋爐補給水處理、電子工業、醫藥行業、純凈水行業、化妝品生產及美容行業,各行業實驗室制取檢測用水等領域。應用中離子交換水先通過陽床,再通過陰床。
當水通過陽離子交換器(陽床樹脂)時,水中的各種陽離子被樹脂中的H+,Na+離子交換后留在樹脂上,而H+,Na+離子則到了水中,鈉基樹脂一般用在軟化水處理中,鈉離子置換掉水中的鈣鎂離子,降低水中的鈣鎂硬度。氫基樹脂陽床離子交換器一般和陰床離子交換器共同使用,或者使用在混床離子交換器中。水中的陽離子被H+置換后,陽床出水含有H2SO4,、HCl等強酸,一級H2CO3,H2SiO3等弱酸,因此呈酸性,這些水進入到陰離子交換器后,水中的各種陰離子被OH+離子置換,OH+離子被置換到水中,和H+離子結合成水,反應式如下:
離子交換器特點
1、濾速快、易再生,離子交換濾速一般設計為20m/h以上,濾速快,通水量大;
2、自動化控制,操作簡便,離子交換器通常采用自動化控制,操作簡便;
3、配置合理,防止樹脂流失,本司設備配置樹脂回收裝置,防止樹脂流失;
4、配置可選,根據工況,可以選擇不同配置,增加投入產出比。
陽床、陰床離子交換器參數(固定床/浮動床)
|
性能 參數 |
800 |
1200 |
1600 |
2000 |
2200 |
2600 |
2800 |
|
樹脂填充量 |
600L |
1200L |
2400L |
3700L |
4800L |
6000L |
7200L |
|
濾速 |
20-30m/h |
||||||
|
通水量 ≥ |
10m3/h |
20m3/h |
40m3/h |
60m3/h |
80m3/h |
100m3/h |
120m3/h |
混床離子交換器參數
|
性能 參數 |
800 |
1200 |
1600 |
2000 |
2200 |
2600 |
2800 |
|
樹脂填充量 |
750L |
1500L |
3000L |
4500L |
6000L |
7500L |
9000L |
|
濾速 |
20-30m/h |
||||||
|
通水量 ≥ |
10m3/h |
20m3/h |
40m3/h |
60m3/h |
80m3/h |
100m3/h |
120m3/h |
