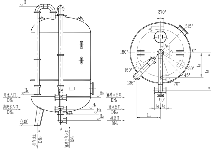
自壓式纖維過濾設備是一種利用過濾介質流動水力調節濾元密度的高效纖維過濾設備。該設備操作簡單便捷,過濾器濾元的密度調節通過設備內部的特殊裝置通過過濾介質流動的水力來調節,無需額外增加動力設備。該設備具有過濾速度快、過濾精度高、截污容量大、占地面積省、自用水能耗低等優點,而且操作簡單、無易損件,是一種技術先進使用便捷的過濾設備
|
規格(mm) |
1000 |
1200 |
1500 |
2000 |
2200 |
2500 |
3000 |
3200 |
|
料層厚度(mm) |
1200-1500 |
|||||||
|
過濾速度(m/h) |
30 |
|||||||
|
過濾水量(m³/h) |
24 |
34 |
53 |
94 |
114 |
147 |
210 |
241 |
|
設備凈重(kg |
1522 |
1813 |
2980 |
4792 |
5598 |
7902 |
10686 |
14542 |
|
設備運行重量(kg) |
4334 |
5792 |
9606 |
15814 |
20836 |
28082 |
40716 |
48508 |
|
最大操作壓力 |
0.60Mpa |
|||||||
|
截污容量 |
5~10Kg/m³(濾料) |
|||||||
|
過濾壓頭損失 |
運行初始入口、出口壓差為0.02~0.04Mpa;過濾失效時入口、出口壓差一般≤0.10Mpa |
|||||||
|
過濾精度 |
過濾前水中懸浮物 |
過濾后水中懸浮物 |
||||||
|
≤20mg/l |
0~0.5mg/1 |
|||||||
|
≤50mg/1 |
0~1.0mg/l |
|||||||
|
清洗操作壓力 |
≤0.05Mpa |
|||||||
|
清洗強度 |
3~8L/m².s |
|||||||
|
清洗空氣壓力 |
0.05Mpa;最大不得超過0.10Mpa |
|||||||
|
清洗空氣強度 |
60~80L/m² · s |
|||||||
|
清洗時間 |
20~30min |
|||||||
設備結構特點
設備內部設有纖維濾元的密度調節裝置,設備運行時過濾介質從上到下通過纖維濾層,此時纖維密度調節裝置推動活動板下壓,濾層密度逐漸增大,濾層空隙減小,過濾精度增加,實現深度過濾。反洗再生時,清洗水從下到上通過濾層,纖維過濾器活動板提升,濾層纖維放松孔隙增大,同時汽水混合物對纖維束濾料進行清洗。濾層加壓過濾和放松清洗過程不需要其他動力裝置提供動力,均通過水力自動實現。
設備內部設有纖維濾元的密度調節裝置,設備運行時過濾介質從上到下通過纖維濾層,此時纖維密度調節裝置推動活動板下壓,濾層密度逐漸增大,濾層空隙減小,過濾精度增加,實現深度過濾。反洗再生時,清洗水從下到上通過濾層,纖維過濾器活動板提升,濾層纖維放松孔隙增大,同時汽水混合物對纖維束濾料進行清洗。濾層加壓過濾和放松清洗過程不需要其他動力裝置提供動力,均通過水力自動實現。
